Você tem 0 produto(s) no seu Orçamento

PRESSOSTATO TC-18


Aplicação

• O pressostato eletrônico TC-18 é um equipamento que trabalha em conjunto com um fluxostato interno e é indicado para ser instalado no recalque de motobombas, fazendo com que elas acionem automaticamente sempre que algum ponto de consumo é utilizado
• O TC-18 liga a motobomba quando há queda de pressão na rede hidráulica (torneira aberta) e desliga a motobomba quando a rede atinge a pressão máxima que a motobomba pode fornecer, juntamente com a vazão zero (torneira fechada)
• O pressostato também possui uma válvula de retenção incorporada que mantém a rede sempre pressurizada

• Desliga automaticamente quando houver falta de água.
• Religa automaticamente quando volta a água, sem necessidade de pressionar o reset.


  • CARACTERÍSTICAS TÉCNICAS
  • BIM
  • VANTAGENS
  • RECOMENDAÇÕES DE INSTALAÇÃO
  • MODELO
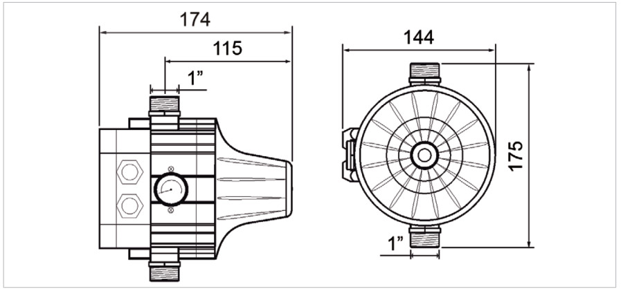
  • DIMENSIONAL
  • MODO DE OPERAÇÃO
  • DOWNLOADS

• Tensão: 110/220 V
• Frequência: 60 Hz
• Corrente máxima: 10 A
• Pressão máxima interna (na sucção): 100 mca 
• Temperatura da água: 5ºC a 80ºC
• Temperatura ambiente (local instalação): 0ºC a 40ºC
• Conexões: 1" BSP Macho
• Pressão de acionamento: 10 mca (setado de fábrica)
• Pressão necessária para desligar: 18 mca (setado de fábrica)

• Pressostato Bi-volt - Trabalha em 110 ou 220 V
• Possui parafuso traseiro para regulagem da pressão da mola, o que permite variar a faixa de religa entre 8 e 16 mca. 
• Pode ser utilizado em água quente (80°C)
• Possui manômetro incorporado
• Possui proteção contra funcionamento a seco
• Os pontos de consumo podem ficar abaixo, no mesmo nível ou acima da caixa d’água
• Possui um retardo de desligamento, o que permite a utilização em baixas vazões, evitando assim o tradicional liga e desliga dos pressostatos convencionais
• O pressostato TC-18R possui uma bucha restritora de vazão para pressurização de água quente após reservatório térmico de baixa pressão 

• Não instalar pontos de consumo entre a bomba e o pressostato
• Instale um registro na saída do pressostato para testar seu desligamento, este procedimento facilita a descoberta de vazamentos ao longo da rede hidráulica
• Quando houver pontos de consumo acima do pressostato, o desnível máximo entre eles deverá ser inferior à pressão de religa
• Deve-se garantir que a bomba atinja pelo menos 8 mca acima da pressão de religa, conforme exemplo:
  Pressão de religa de 8 mca = A bomba deve atingir 16 mca
  Pressão de religa de 15 mca = A bomba deve atingir 23 mca

TC-18 
TC-18R

Produtos Relacionados

FLUXOSTATO TFR-2-PL

Fluxostatos • Pressostatos

Ver Mais

FLUXOSTATO TFG

Fluxostatos • Pressostatos

Ver Mais

FLUXOSTATO TFR-2-BR

Fluxostatos • Pressostatos

Ver Mais

Desenvolvido por Double One